產品型號:ZAZM型
公稱(chēng)通徑:DN40 ~ DN400
公稱壓力(lì):PN16/25/40/63/100;CL150(PN20)/300(PN50)/600(PN110)
操作溫度:-40℃~ 150℃
流量特性(xìng):等百分比,線性(xìng),快(kuài)開
可調比:50:1
泄(xiè)漏等級:ANSI B16.104: IV、V、VI
閥體材質:WCB/WCC/LCB/LCC;WC6/WC9;CF8/CF8M;4A/5A等
閥內件材質:630/316/316+ST/316nitriding/316+Ni60/316+WC等
填料材質:PTFE+石墨V形填料、柔(róu)性石墨環形填料、石墨+PTFE編(biān)織填料等
產品特點
采用分離式套筒、大麵積導向結構,壓力平衡密封環高性能(néng)非金屬密封圈。具有動態穩定性(xìng)好,控製精度(dù)高,允許壓差大,操作力小,流通能力(lì)大等特點。適宜常溫工況,大壓(yā)差,交變應力作用下的流(liú)體控製。
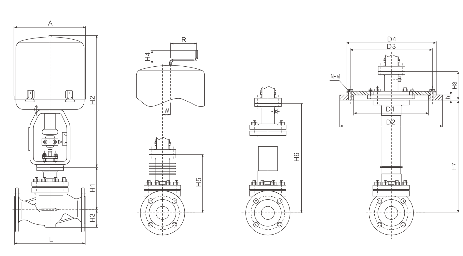
主要外形尺寸
|
公稱通徑DN |
20 |
25 |
32 |
40 |
50 |
65 |
80 |
100 |
125 |
150 |
200 |
|
|
φA |
177 |
177 |
177 |
226 |
||||||||
|
L |
PN16、40 |
150 |
160 |
180 |
200 |
230 |
290 |
310 |
350 |
400 |
480 |
600 |
|
PN63/160 |
230 |
230/250 |
260 |
260 |
300 |
340 |
380 |
430 |
500 |
550 |
650 |
|
|
H1 |
PN16 |
53 |
58 |
70 |
75 |
83 |
93 |
100 |
110 |
125 |
143 |
170 |
|
PN40 |
53 |
58 |
70 |
75 |
83 |
93 |
100 |
118 |
135 |
150 |
188 |
|
|
PN63 |
65 |
70 |
78 |
85 |
90 |
103 |
108 |
125 |
148 |
173 |
208 |
|
|
H |
標準型 |
567 |
567 |
593 |
605 |
615 |
673 |
693 |
709 |
912 |
965 |
1058 |
|
散熱型 |
673 |
673 |
703 |
703 |
717 |
755 |
831 |
841 |
1011 |
1139 |
1231 |
|
|
波紋(wén)管密封型 |
643 |
655 |
679 |
727 |
737 |
795 |
878 |
886 |
1089 |
1142 |
1235 |
|
|
重量 (Kg) |
10 |
12 |
15 |
17 |
18 |
34 |
46 |
54 |
76 |
79 |
100 |
|