產品型號(hào):D973H/Y/F
壓力範圍:PN10-PN160 CLASS150Lb~1500Lb
公稱(chēng)通徑(jìng):DN 50~DN3000 NPS2"~120"
主體材料:碳鋼、不鏽鋼、雙相不鏽鋼、合金鋼、鎳合金(jīn)鋼(gāng)
連接形式:對夾式
工作溫度:-29℃~350℃
操作方式: 電動裝置
設計標準:GB/T12238、JB/T8527、API 609
產品結構特征
三偏心蝶閥是將正錐(zhuī)角(jiǎo)旋轉一個角度改為斜錐角,這樣閥杆(gǎn)與閥體中心偏心減小,開啟力矩也隨之減(jiǎn)小。廣泛用於冶金 、電力、石油化工、以及給排(pái)水和市政建設等工業管道上,作調節流量和載斷流體(tǐ)使用。
其主要(yào)結構特點(diǎn)有(yǒu)
1、蝶板與密封麵啟閉無摩擦,強製密(mì)封;
2、可以任意位(wèi)置安裝(zhuāng);
3、零泄漏結構設計;
4、可選(xuǎn)擇金屬(shǔ)與非金屬,金屬與(yǔ)金屬(shǔ)密封方式;
5、有單向閥門和雙向閥門供客戶選(xuǎn)擇;
6、可選(xuǎn)擇動負載式填料;
7、可(kě)選擇低泄露填料滿足ISO 15848要求;
8、閥杆可(kě)加(jiā)長(zhǎng)設計;
9、可以按客戶要求設計低溫閥門或超低溫閥門。
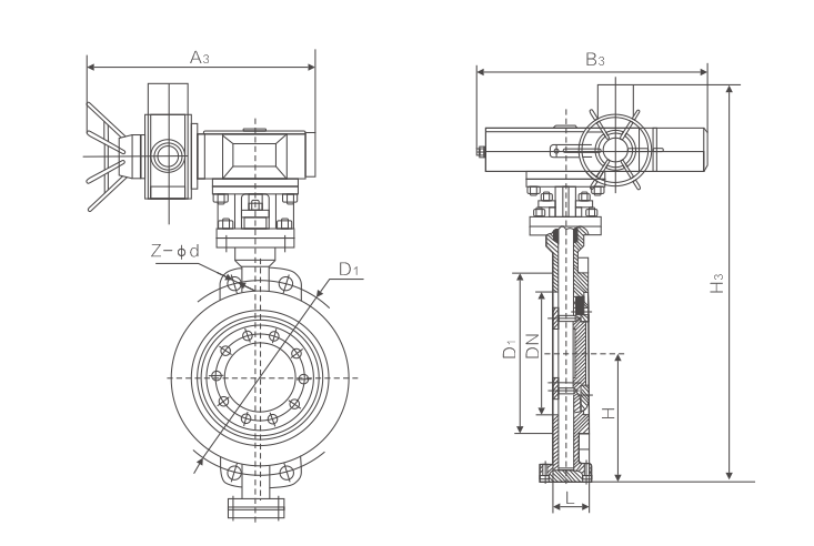
主要外形連接尺寸(cùn)
|
DN |
L |
H |
D973H |
PN1.6MPa |
PN2.5MPa |
||||||
|
毫米 |
英寸 |
短 |
長 |
H3 |
A3 |
B3 |
D1 |
Z-φd |
D1 |
Z-φd |
|
|
40 |
11/2 |
33 |
33 |
107 |
530 |
250 |
255 |
110 |
4-18 |
110 |
4-18 |
|
50 |
2 |
43 |
43 |
112 |
530 |
250 |
255 |
125 |
4-18 |
125 |
4-18 |
|
65 |
21/2 |
46 |
46 |
115 |
530 |
250 |
255 |
145 |
8-18 |
145 |
8-18 |
|
80 |
3 |
49 |
64 |
125 |
565 |
250 |
255 |
160 |
8-18 |
160 |
8-18 |
|
100 |
4 |
56 |
64 |
138 |
600 |
250 |
255 |
180 |
8-18 |
190 |
8-22 |
|
125 |
5 |
64 |
70 |
164 |
640 |
250 |
255 |
210 |
8-18 |
220 |
8-26 |
|
150 |
6 |
70 |
76 |
175 |
704 |
300 |
315 |
240 |
8-23 |
250 |
8-26 |
|
200 |
8 |
71 |
89 |
215 |
775 |
300 |
315 |
295 |
12-23 |
310 |
12-26 |
|
250 |
10 |
76 |
114 |
243 |
945 |
300 |
315 |
355 |
12-25 |
370 |
12-30 |
|
300 |
12 |
83 |
114 |
285 |
1070 |
300 |
315 |
410 |
12-25 |
430 |
16-30 |
|
350 |
14 |
92 |
127 |
320 |
1140 |
300 |
315 |
470 |
16-25 |
490 |
16-33 |
|
400 |
16 |
102 |
140 |
350 |
1210 |
300 |
315 |
525 |
16-30 |
550 |
16-36 |
|
450 |
18 |
114 |
152 |
350 |
1335 |
575 |
714 |
585 |
20-30 |
600 |
20-36 |
|
500 |
20 |
127 |
152 |
380 |
1415 |
575 |
714 |
650 |
20-34 |
660 |
20-36 |
|
600 |
24 |
154 |
178 |
435 |
1605 |
656 |
810 |
770 |
20-36 |
770 |
20-39 |
|
700 |
28 |
165 |
229 |
480 |
1844 |
656 |
810 |
840 |
24-36 |
875 |
24-42 |
|
800 |
32 |
190 |
241 |
530 |
2040 |
656 |
810 |
950 |
24-39 |
990 |
24-48 |
|
900 |
36 |
203 |
241 |
595 |
2255 |
785 |
863 |
1050 |
28-39 |
1090 |
28-48 |
|
1000 |
40 |
216 |
300 |
650 |
2380 |
785 |
863 |
1170 |
28-42 |
1210 |
28-56 |
|
1200 |
48 |
254 |
360 |
775 |
2640 |
785 |
863 |
1390 |
32-48 |
1420 |
32-56 |